欢迎来访常州乐玩工业机器人有限公司官网!

机器人变位机/工作站

您的位置:首页 > 产品中心 > 机器人变位机/工作站 > 变位机2PF300/500/1000

常州乐玩工业机器人有限公司坐落于江苏常州天宁区,专业从事焊接系统的开发与制造、焊接切割技术咨询与服务的专业性高新技术企业。公司资力厚、技术先进,产品远销泰国、越南、菲律宾等东南亚国家和地区。

查看更多+

自有软件专利通过知识体系贯标认证,高新技术企业自主研发团队,可根据客户需求非标定制。获得各项专利30余项。

查看更多+

您可以第一时间了解到乐玩的最新动态,与您分享行业的最热资讯,时刻在为您服务。在焊接通用设备、焊接结构件、工装夹具、焊接自动化设备及控制方面积累了丰富的实践经验。

查看更多+

秉持着“树立一种优质形象:优质服务是生命,客服满意是目的”的经营理念,实施差异化战略,在细分市场发力,为客户提供高品质的工业机器人和智能制造解决方案。乐玩工业机器人一直倾心打造好的品质,竭力追求贴心的服务。

查看更多+
网站栏目 联系我们

常州乐玩工业机器人有限公司

常州乐玩工业机器人有限公司坐落于江苏常州天宁区,专业从事焊接系统的开发与制造、焊接切割技术咨询与服务的 专业性高新技术企业。公司主要产品有OTC焊接机器人、OTC焊机,焊接机,工装,夹具,检具,非标自动化焊接设备、机器人应用系统等,

联系我们

当前位置:首页 > 产品中心 > 机器人变位机/工作站 > 变位机2PF300/500/1000
查看全部分类

变位机2PF300/500/1000

发布:2022-08-30 浏览:5970

变位机2PF300/500/1000

变位机2PF300/500/1000

产品详情

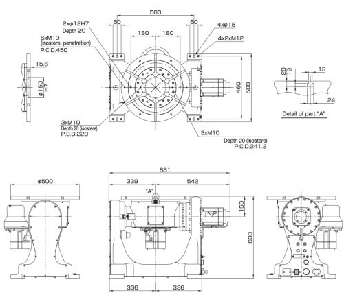
从最小的25kg到最大的1000kg,中间一共6种机型;可通过机器人的示教盒进行操作,可与机器人同时进行示教工作;采用的是AC伺服马达和无背隙减速机,因此可以得到和机器人同样的高精度;与机器人配套使用时,可以实现协调动作。




型号A2PF300-ENNA2PF500-ENNA2PF1000-ENN
最大搭载重量300kg500kg1000kg
最大旋转速度3.1rad/sec[180°/s]2.8rad/sec[162°/s]2.9rad/sec[72°/s]
最大倾斜速度2.2rad/sec[125°/s]1.5rad/sec[84°/s]1.4rad/sec[82°/s]
容许最大扭矩294N·m392N·m882N·m
倾斜轴容许最大扭曲882N·m1347N·m3704N·m
位置重复精度±0.08mm(在R250的位置)±0.08mm(在R250的位置)±0.08mm(在R250的位置)
旋转停止位置任意位置任意位置任意位置
本   体 重 量260kg260kg470kg

上一篇: 变位机1PC500/1000
下一篇: XYZ机器人地轨
立即联系我们,常州乐玩为您提供全方位的智能焊接解决方案
在线客服台
ONLINE SERVICE
微信二维码
咨询服务电话
13961238585

扫一扫